應用領域
KGZDW系列充饋電分屏式直流電源系統主要應用于220KV及以下變電站、水電站及用戶站。適用于電力、交通、電廠、通信、化工、冶金、醫療、廠礦、建筑及消防等領域及用戶終端,可作為高壓開關、繼電保護、自動裝置的操作電源和控制電源。
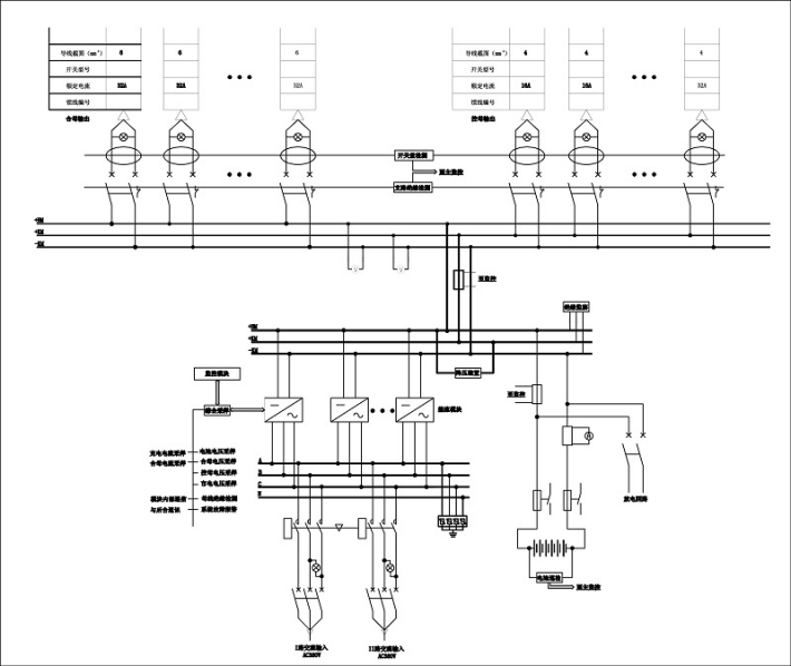
系統組成
充電柜
交流配電:兩路三相四線,可自動切換互為備用;
監控系統:自動管理蓄電池的充放電功能,全漢字大屏幕液晶顯示(也可選配彩色觸摸屏顯示),并且可以實現“遙控、遙測、遙信、遙調”功能;
降壓裝置:可選配5級或7級調壓裝置;
柜體尺寸:800(W)*600(D)*2260(H)mm(可按要求定制)。
饋電柜
饋出回路:可按照用戶要求靈活選配斷路器的品牌、容量及數量;
絕緣檢測:檢測母線或各輸出回路的絕緣情況;
饋電檢測:可選配檢測各饋出回路的跳閘信號;
柜體尺寸:800(W)*600(D)*2260(H)mm(可按要求定制)。
電池柜
電池巡檢:可選配檢測每節蓄電池的運行數據;
電池容量:220V系統:38Ah — 200Ah;
110V系統:38Ah — 200Ah;
柜體尺寸:800(W)*600(D)*2260(H)mm(可按要求定制)。
系統特點
1、監控系統采用積木式結構,大屏幕液晶顯示,全漢化實時顯示及操作,人機界面友好;
2、超寬的電壓輸入范圍,電網適應性強,可用于環境相對惡劣的場所;
3、充電模塊采用變頻自然諧振軟開關技術,效率≥94%;
4、系統采用模塊化設計,冗余備份性能可靠安全;
5、帶電在線拔插技術,維護方便快捷;
6、全自動智能化蓄電池管理功能;
7、RS232/RS485通訊接口,方便與遠程監控系統通訊實現“四遙”功能,實現無人值守;
8、支持RTU、CDT、MODBUS三種通訊規約。
技術參數
|
項目名稱 |
技術參數 |
|
額定輸入電壓 |
380VAC±20% |
|
電網頻率 |
50Hz±10% |
|
功率因素 |
≥0.95%(滿負荷輸出) |
|
額定輸出電壓 |
220VDC、110VDC |
|
額定輸出電流 |
10~400A |
|
穩壓精度 |
≤±0.5% |
|
穩流精度 |
≤±0.5% |
|
紋波系數 |
≤±0.1% |
|
可聞噪音 |
≤50dB |
|
冷卻方式 |
智能溫控型風冷、自然冷卻 |
|
工作方式 |
連續長期運行 |
|
絕緣強度 |
>10MΩ、2kVAC一分鐘無閃絡,無擊穿 |
|
蓄電池容量 |
7Ah、10Ah、12Ah、20Ah、24Ah、38Ah、50Ah、65Ah、80Ah、90Ah、100Ah、120Ah、150Ah、200Ah、250Ah、300Ah、500Ah、800Ah |
使用環境
1、環境溫度:-10℃~+50℃;
2、相對濕度:≤95%(20±5℃);
3、海拔高度:≤3000m;
4、灰 塵:≤5mg/m3;
5、地震烈度:不超過8度;
6、安裝垂直傾斜度: 不超過5°;
7、微控制器抗噪聲: 1000V 1μs脈沖1分鐘;
8、設備限在室內工作,且通風良好;
9、室內應無腐蝕金屬和破壞絕緣的有害氣體;
10、無強電磁場干擾與劇烈振動。
接線方案
